More about :THK HSR45YR
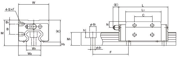
| Model No. | Outer dimensions | Block dimensions | Rail dimensions | Basic load rating | ||||||
| Radial | ||||||||||
| Height M | Width W | Length L | B | C | S x l | Pitch F | d1xd2xh | Dynamic C | Static C0 | |
| mm | mm | mm | mm | mm | mm | mm | mm | kN | kN | |
| HSR15YR | 28 | 33.5 | 56.5 | 11.5 | 18 | M4 x 5 | 60 | 4.5x7.5x5.3 | 10.9 | 15.7 |
| HSR20YR | 30 | 44.5 | 74 | 11.5 | 25 | M5 x 6 | 60 | 6x9.5x8.5 | 19.8 | 27.4 |
| HSR25YR | 40 | 47.5 | 83 | 16 | 30 | M6 x 6 | 60 | 7x11x9 | 27.6 | 36.4 |
| HSR30YR | 45 | 59.5 | 98 | 16 | 40 | M6 x 9 | 80 | 9x14x12 | 40.5 | 53.7 |
| HSR35YR | 55 | 69.5 | 109.4 | 23 | 43 | M8 x 10 | 80 | 9x14x12 | 53.9 | 70.2 |
| HSR45YR | 70 | 85.5 | 139 | 30 | 55 | M10 x 14 | 105 | 14x20x17 | 82.2 | 101 |
| HSR55YR | 80 | 99.5 | 163 | 32 | 70 | M12 x 15 | 120 | 16x23x20 | 121 | 146 |
| HSR65YR | 90 | 124.5 | 186 | 35 | 85 | M16 x 22 | 150 | 18x26x22 | 195 | 228 |
Application of THK THK HSR45YR
1. THK HSR45YR THK’s linear motion system helps to provide a guide device that enables this precision and speed to be realized.
2. THK HSR45YR In order to repeat the production of this advanced product, the LM guide and ball screw in the milling machine guide system which don’t waste of action
3. The LM guide and ball screw are indispensable for the movement of the tool section of the lathe because of its high rigidity and high precision.
4. By combining LM guides and ball screws with lubrication parts, we can reduce system design work and assembly steps, and extend the interval needed for maintenance.
5. Frequent earthquakes have caused great concern among residents in some regions. The vibration control system of THK THK HSR45YR can help solve the problem.
The system is based on the application technology of LM guide ball screw. It can provide protection to people's life and life in earthquake. The system can not only prevent the damage caused by the earthquake, but also reduce people's panic because of its omnipresent, reliable and durable.

